首   页 走进略阳 新闻中心 政府信息公开 政务服务 政民互动 专题专栏

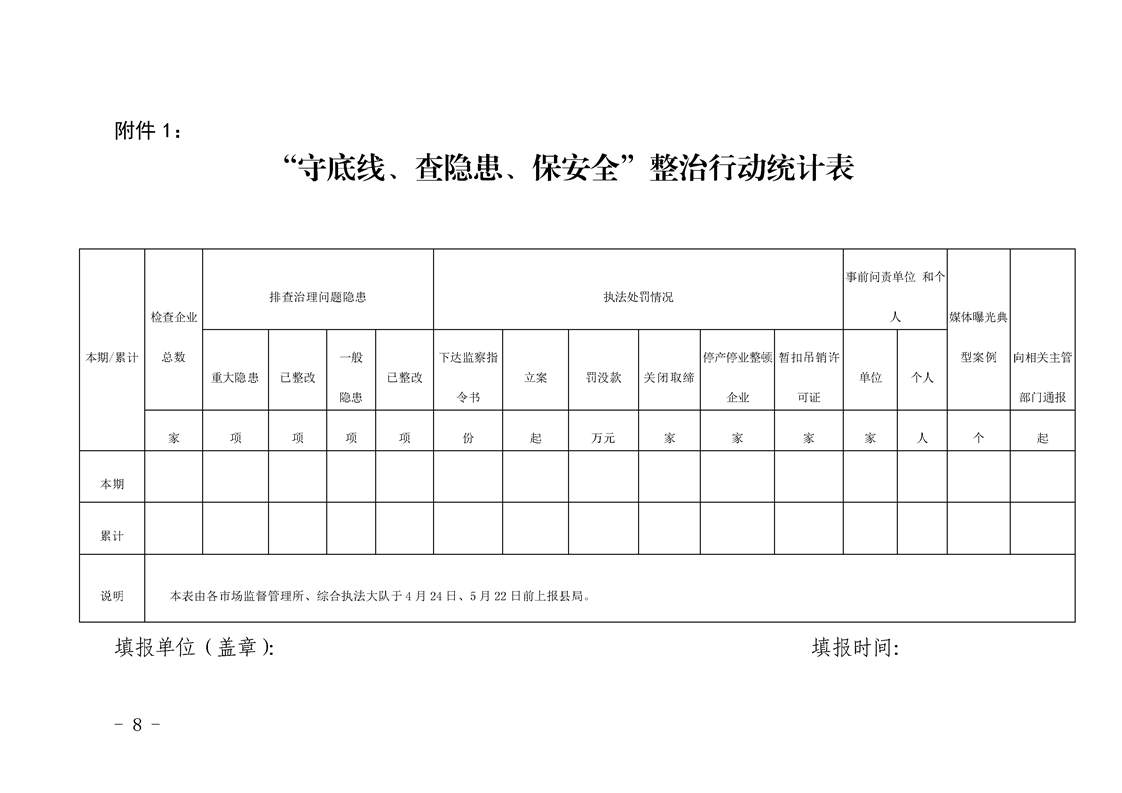
略阳县市场监督管理局关于印发《略阳县特种设备“守底线、查隐患、保安全”整治行动方案》的通知